Single Pole Micro Switch Short Description
Toneluck single pole micro switches have many series options. Such as the single pole double throw or single pole single throw with different appearances and ratings. The E42CK-FN00AG-01 is one of them and has a specifical terminal type.
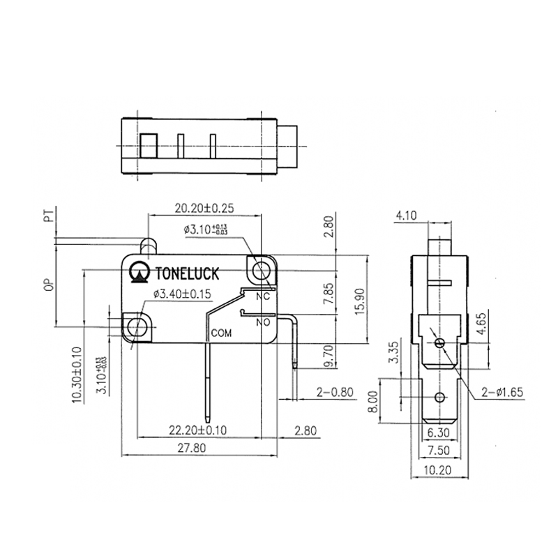
E Series Limit Micro Switch
Product Name: E42CK-FN00AG-01
Product applications: Smart homes such as multi-function telephones, large-scale mixing consoles, household gas appliances, washing machines, dishwashers, etc.; new energy vehicle charging guns, car air conditioning controllers, car door locks, car sensors, and other automotive markets.
Single Pole Micro Switch Details Description
The Toneluck E42CK-FN00AG-01 is one of the single pole micro switches with a specifical terminal type, which is the single pole single throw normal open current code. It is also called the SPST NO microswitch. Meanwhile, the rating is 16A 125/250VAC; 1/2HP 125VAC; 3/4HP 250VAC and 0.4A 125VDC;0.2A 250VDC; 10.1A 125 VL with 6000 cycles Min. by UL and cUL certifications. And, 16(4)A 125/250VAC with 50000 loading cycles Min. by ENEC and CQC certifications.
Besides, the working temperature is from -40 to 85℃ and it is also called the 40T85 microswitch. Generally, it will be used in household appliances because of its big rating. In order to be safe in the application, the material of this series also uses the UL94 V-0 fireproofing material, which is a high protection level.
All in all, as a micro switch company, we supply all kinds of switches not matter single pole or double pole, welcome to contact us if any information you need.
Single Pole Micro Switch Specification
| Model No. | E42CK-FN00AG-01 |
| Operating Temperature | -40℃ to +85℃ |
| Rating | 16A 125/250VAC;1/2HP 125VAC;3/4HP 250VAd
0.4A 125VDC;0.2A 250VDC;10.1A 125VL 16 (4)A 125/250VAC |
| Mechanical Life | 500,000 cycles Min. |
| Insulation Resistance | 100ΩM Min. |
| Dielectric Strength | 1000VAC for 60 ± 5 sec. |
| Housing | UL 94V-0 Thermoplastic |
| Contact | Silver |
| Lever Type | Without Lever |
| Operation Force (OP) | 55±15gf |
| Release Force (RP) | 10gf Min. |
| Pre-Travel (PT) | 1.2mm Max. |
| Over-Travel (OT) | 1.25mm Min. |
| Movement-Differential (DT) | 0.4mm Max. |
| Operation Position (OP) | 14.7±0.5 mm |
Related Products









