230V Micro Switch
MQS-216T 230V micro switch has a metal straight lever and 3* 250# terminals, which is an SPDT circuit with 1 million mechanical cycles life. High-quality & good price.
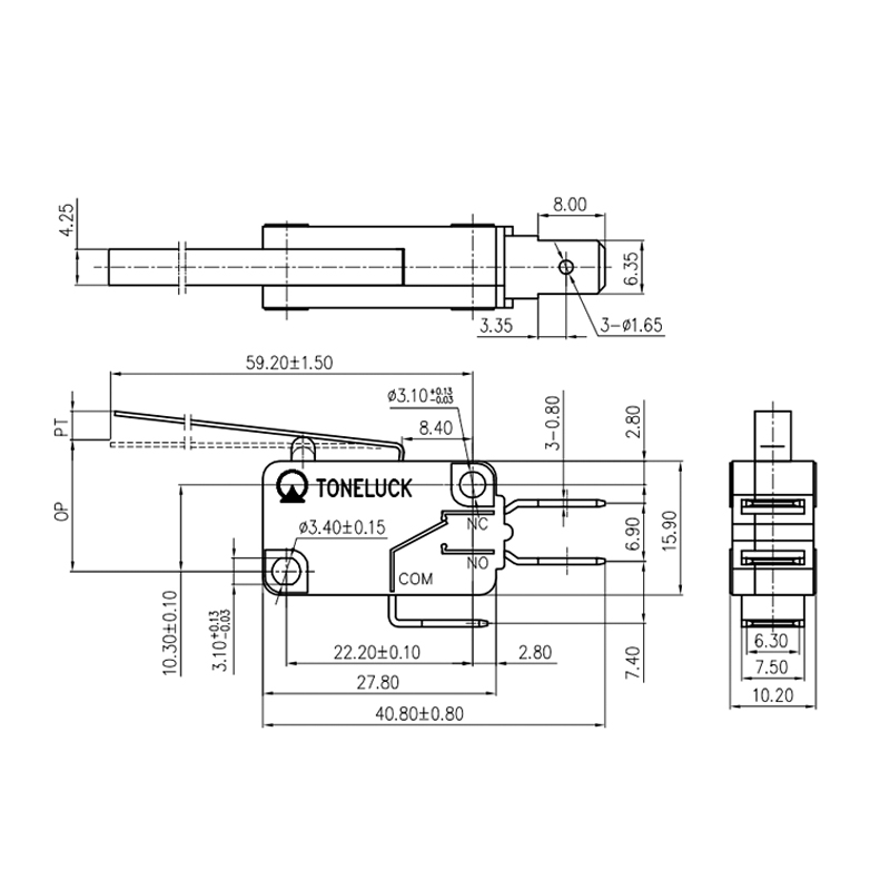
Model NO.: MQS-216TA04AAK-01
Product applications: It can be used as the washing machine, refrigerators, air conditioners, high-temperature ovens, dryers, and all kinds of small home appliances
230V Micro Switch Description
MQS-216T 230V micro switch not only can be used in 230V but also 250VAC or 125VAC. So, the MAX. working voltage is 250VAC, which can cover other voltage below it. This model has a metal straight lever, which can reduce the operating force (12±5gf only) and increase the PT(6.5mm Max.).
Meanwhile, the Toneluck 230V micro switch is high-quality and long-life, its mechanical life is 1 million. Its shell material is UL94 V-0 fire-proof thermoplastic, which is a good protection level. For more details, you can check Wikipedia. In fact, this model has 3* 250# quick connect faston terminals, and it belongs to the SPDT circuitry. Generally, it can be used in most household appliances products.
Welcome to contact us to get the quotation and micro switch datasheet. For more microswitch models, please click the link to see them. Besides the micro switches, we also have push button switches, door switches, air pressure switches, etc.
230V Micro Switch Specification
| Model No. | MQS-216SA02BAM-01 |
| Operating Temperature | -40℃ to +85℃ |
| Rating | 16A 125/250VAC;1/2HP 125VAC;3/4HP 250VAd
0.4A 125VDC;0.2A 250VDC;10.1A 125VL 16 (4)A 125/250VAC |
| Mechanical Life | 500,000 cycles Min. |
| Insulation Resistance | 100ΩM Min. |
| Dielectric Strength | 1000VAC for 60 ± 5 sec. |
| Housing | UL 94V-0 Thermoplastic |
| Contact | Silver |
| Lever Type | Without Lever |
| Operation Force (OP) | 75±20gf |
| Release Force (RP) | 30gf Min. |
| Pre-Travel (PT) | 3.3mm Max. |
| Over- Travel (OT) | 2.5mm Min. |
| Movement-Differential (DT) | 1.2mm Max. |
| Operation Position (OP) | 15.3±1.5 mm |
Related Products
If need other microswitch or other kinds of switch products, please click the link to have a look.









