15 Amp Micro Switch Short Description
Toneluck V52 is not only 15 Amp micro switch but also can meet the IEC 60335-1 Ed 4 requirement. Meanwhile, it also has UL, cUL, ENEC, and CQC certification.
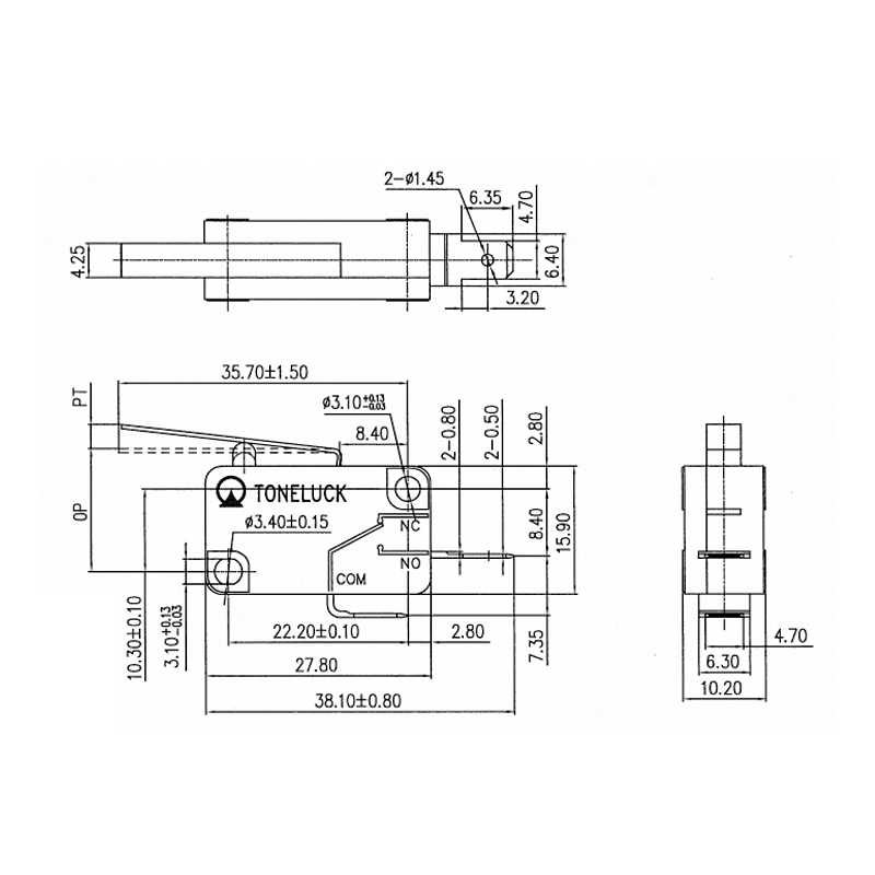
V5 Series Electronic Micro Switch
Product Model: V52CL-BA02AG-01
Product applications: Generally, the V5 series will be used in household appliances, such as washing machine, cookers, ovens, and so on.
15 Amp Micro Switch Details Description
Toneluck V52CL-BA02AG-01 is a microswitch that not only is a 15 Amp micro switch but also can meet the IEC 60335-1 Ed 4 requirement. The IEC 60335 is a standard that can meet the requirement of TUV certification. Meanwhile, it also has UL, cUL, ENEC, and CQC certifications with the rating of “16(4)A 125/250VAC, 1/2HP 125V, 3/4HP, 250V, 0.4 A, 125 V DC, 0.2 A, 250 V DC, 10.1A, 125VL”.
Besides, the fireproof level of the material is UL94V-0, which is a kind of thermoplastic with a high level on the microswitch market.
15 Amp Micro Switch Specification
| Model No. | V52CL-BA02AG-01 |
| Operating Temperature | -40℃ to +125℃ 45T125 |
| Rating | 16(4)A 125/250VAC, 1/2HP 125V, 3/4HP, 250V, 0.4 A, 125 V DC, 0.2 A, 250 V DC, 10.1A, 125VL |
| Mechanical Life | 1,000,000 cycles min |
| Insulation Resistance | 100ΩM Min. |
| Dielectric Strength | 1500VAC for 50 ± 60 sec. |
| Housing | UL 94V-0 Thermoplastic
IEC 60335-1 Ed 4 Compliant |
| Contact | Silver |
| Lever Type | Straight Lever |
| Operation Force (OP) | 50±20 gf |
| Release Force (RP) | 10gf Min. |
| Pre-Travel (PT) | 3.5mm Max. |
| Over- Travel (OT) | 2.0 mm Min. |
| Movement-Differential (DT) | 1.5mm Max. |
| Operation Position (OP) | 15.3±1.5 mm |
Related Products


