240 Volt Micro Switch
E62 240 volt micro switch can work in the high-temperature environment that is from -40 to 150℃. The rating is 10A 125/250VAC & 1A 30VDC, 100000cyles with load.
E Micro ON OFF Switch
Product name: E62AN-BA04AG-01
Use: The E series switch can be used in household appliances and industrial control equipment.
40T150 Micro Switch Description
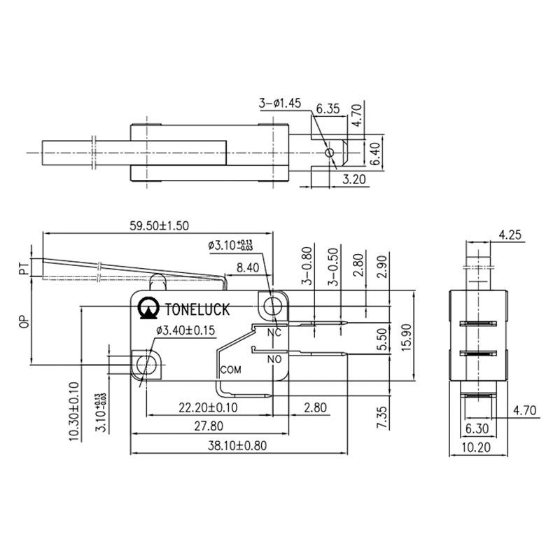
E62AN-BA04AG-01 240 volt micro switch not only can work in the AC from 0-250V but also can work in the DC voltage from 0 to 30V, its rating is “10A 125/250VAC & 1A 30VDC(UL, cUL) and 16(4)A 125/250V (ENEC)”, and the electrical life are 100,000cyles and 5,000cycles at least. Meanwhile, the switch also can work in a high-temperature environment that is 40T150, which can cover most devices. However, we also have a higher temperature microswitch that can work in 40T220.
Besides, this model 240 volt micro switch also can meet the requirement of fire resistance, its standard is UL94 V-0. It has a 51.1mm length long metal lever, which is not only can reduce the operating force but can increase the travel as well. For more E series switches, welcome to click the link to check.
E62AN-BA04AG-01 240 Volt Micro Switch Video
Long Arm Micro Switch Specification
| Model No. | E62AN-BA04AG-01 |
| Operating Temperature | -40℃ to +85℃ |
| Rating | 16A 125/250VAC
0.4A 125VDC;0.2A 250VDC;10.1A 125VL 16(4)A 125/250VAC |
| Mechanical Life | 500,000 cycles Min. |
| Insulation Resistance | 100ΩM Min. |
| Dielectric Strength | 1000VAC for 60 ± 5 sec. |
| Housing | UL 94V-0 Thermoplastic |
| Contact | Silver |
| Lever Type | Without Lever |
| Operation Force (OP) | 80±20gf |
| Release Force (RP) | 50gf Min. |
| Pre-Travel (PT) | 1.5mm Max. |
| Over- Travel (OT) | 1mm Min. |
| Movement-Differential (DT) | 0.5mm Max. |
| Operation Position (OP) | 20.7±0.8 mm |









