MQS-4 Microswitch Short Description
Toneluck MQS-4 series are the automotive micro switches, which can be used in the automotive fastener, like the car door, bonnet, automobile tail door, and so on. So, this model is the waterproof type and small size with a long-time operating life. Generally, the switch will be the signalization in the car system to show some information. For example, reminding the driver if the door is locked or not.
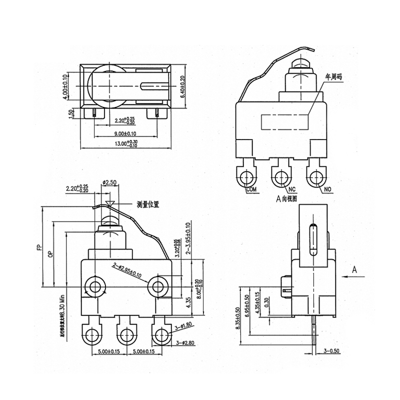
MQS-4 Waterproof Micro Switch
Product name: MQS-421BE03-AG01
Product applications: Automotive parts and electric tools, like car door locks, automobile bonnet, grinders, electric screwdrivers, and so on.
PCB Micro Switch Details Description
Toneluck MQS-4 series are the automotive micro switches, which can be used in the automotive fastener, like the car door, bonnet, automobile tail door, and so on. So, this model is the waterproof type and small size with a long-time operating life. Generally, the switch will be the signalization in the car system to show some information. For example, reminding the driver if the door is locked or not.
Besides the MQS-4 microswitch, our MQS-9A, MQS-9B, MQS-9C, MQS-6, and Interruptor pulsador LTV. As a manufacturer focused on automotive part research and development, we have many kinds of switches to use in the automobile industry. Welcome to contact us to have more information, thank you.
Especificación
| Clasificación eléctrica | MQS-421BE03-AG01 |
| Temperatura de funcionamiento | -40℃ a +85℃ |
| Vida mecánica | 500.000 ciclos mín. |
| Resistencia de contacto | 50 mΩ máx. (inicial) |
| Fuerza Operativa | 300-550gf Max. |
| Resistencia de aislamiento | 100 ΩM mín. |
| Rigidez dieléctrica | 500 VCA durante 60 ± 5 seg. |
| Alojamiento: | Termoplástico UL 94 HB (base) Termoplástico UL 94 HB (cubierta) |








